Kapı Açma Motorları
| Görsel | Title | Açıklama | Dokümanlar | ||||||||||||||||||
|---|---|---|---|---|---|---|---|---|---|---|---|---|---|---|---|---|---|---|---|---|---|
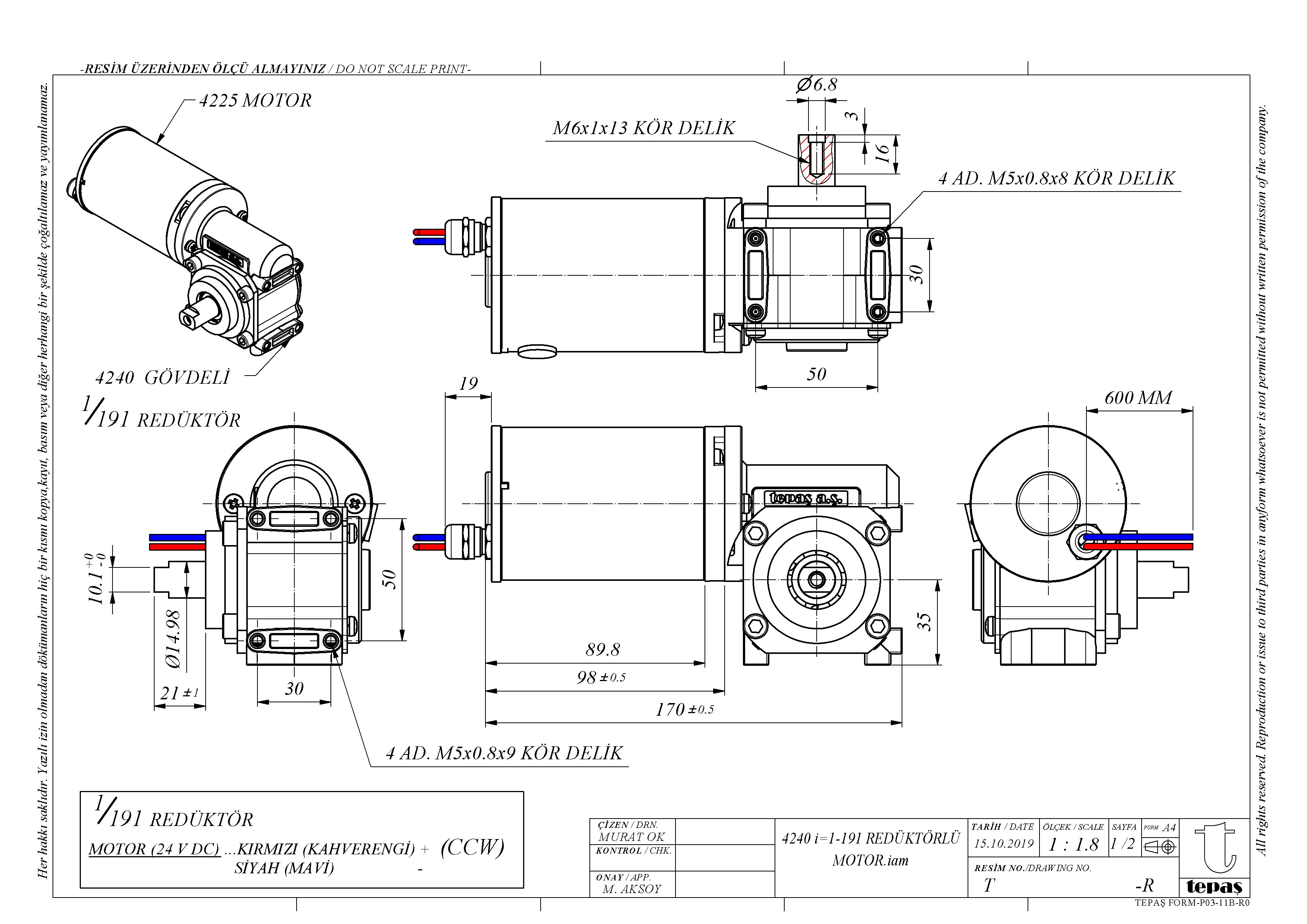
| Redüktörlü Motor (Tip 4240, 1/191, 24VDC) |
Yüksek redüksiyon sayesinde redüktör mili 15 d/dak dönmekte ve yüksek tork sağlamaktadır. Kapı açma-kapama otomasyonu için uygundur. Redüksiyon: 1/191 Enkoder: 1/100 2-yön
|
|
|||||||||||||||||||
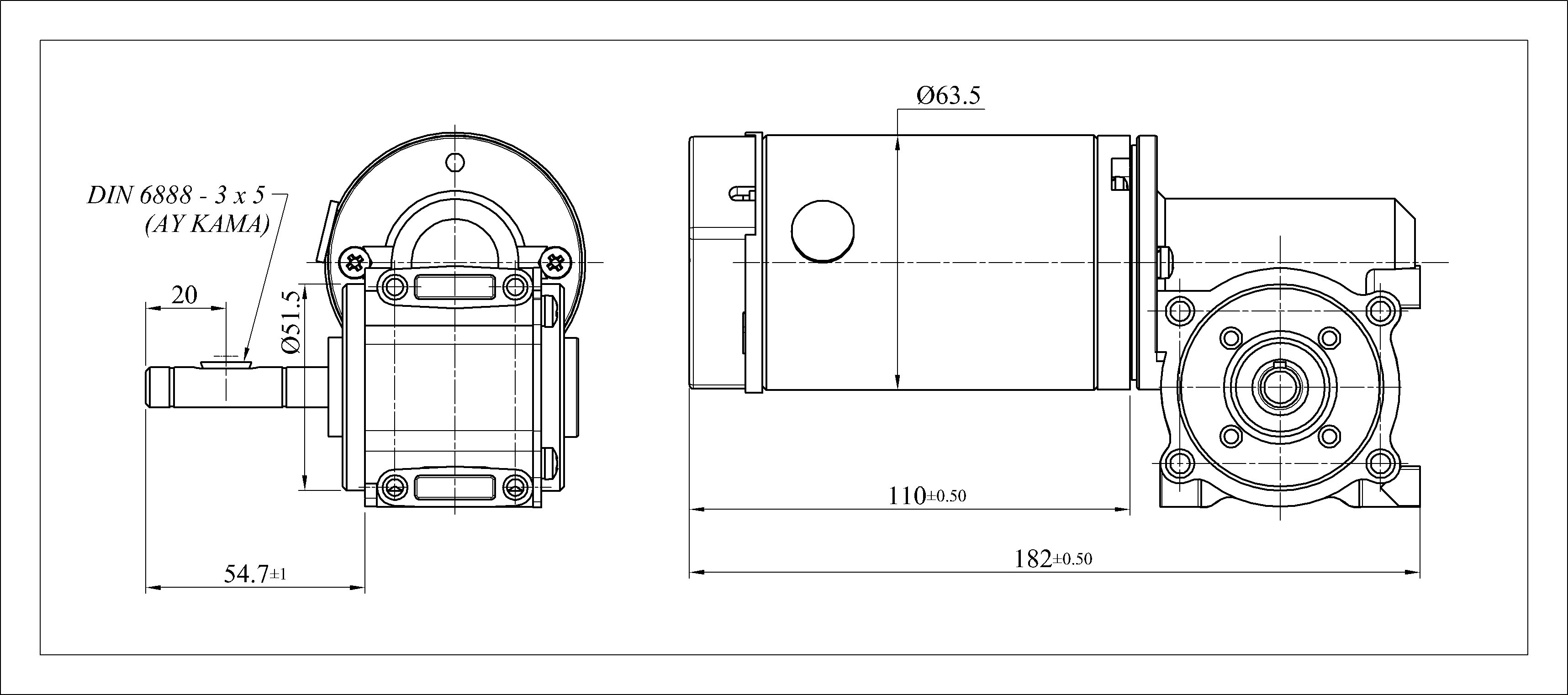
| Planet Redüktörlü Doğru Akım Motoru (Tip 4225 PL100) |
Asansör kapı ve fotoselli kapı açma/kapama, otomatik kapılar, vana sürücüleri, kaynak makineleri, otomasyon projeleri, paketleme sistemleri ve çeşitli endüstriyel uygulamalarda kullanılır.Motor alan sargıları yerine seramik mıknatıslar kullanılmıştır. Ayarlanabilir ve sabit hızlarda alternatif akım motorlarına oranla daha yüksek kalkınma momentleri ile çalışabilir. Motorlar 20,40 veya 100 pulse/devir optik enkoder ile entegredir. Redüksiyon : 1/27 Enkoder : 2 Kanal - 100 Pulse
|
||||||||||||||||||||
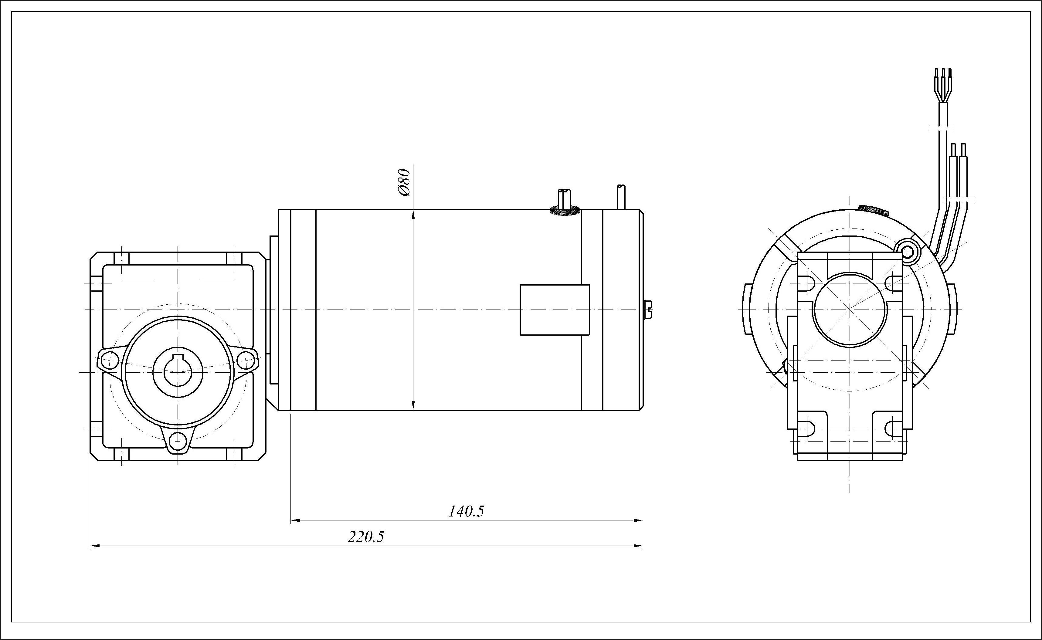
| Redüktörlü Doğru Akım Motoru (Tip 4225 ve Tip 4240) |
Paketleme sistemleri, otomatik kapılar, vana sürücüleri, kaynak makineleri, otomasyon projelerinde kullanılır.Motor alan sargıları yerine seramik mıknatıslar kullanılmıştır. Ayarlanabilir ve sabit hızlarda alternatif akım motorlarına oranla daha yüksek kalkınma momentleri ile çalışabilir. Motorlar 20,40 veya100 pulse/devir optik enkoder ile entegredir.
|
|
|||||||||||||||||||
| Planet Redüktörlü Doğru Akım Motoru (Tip 4240) |
Asansör kremayer kapı ve çeşitli endüstriyel uygulamalarda kullanılabilir. Motor alan sargıları yerine seramik mıknatıslar kullanılmıştır. Ayarlanabilir ve sabit hızlarda alternatif akım motorlarına oranla daha yüksek kalkınma momentleri ile çalışabilir. Motorlar 20,40 veya100 pulse/devir optik enkoder ile entegredir. Redüksiyon : 1/11
|
||||||||||||||||||||
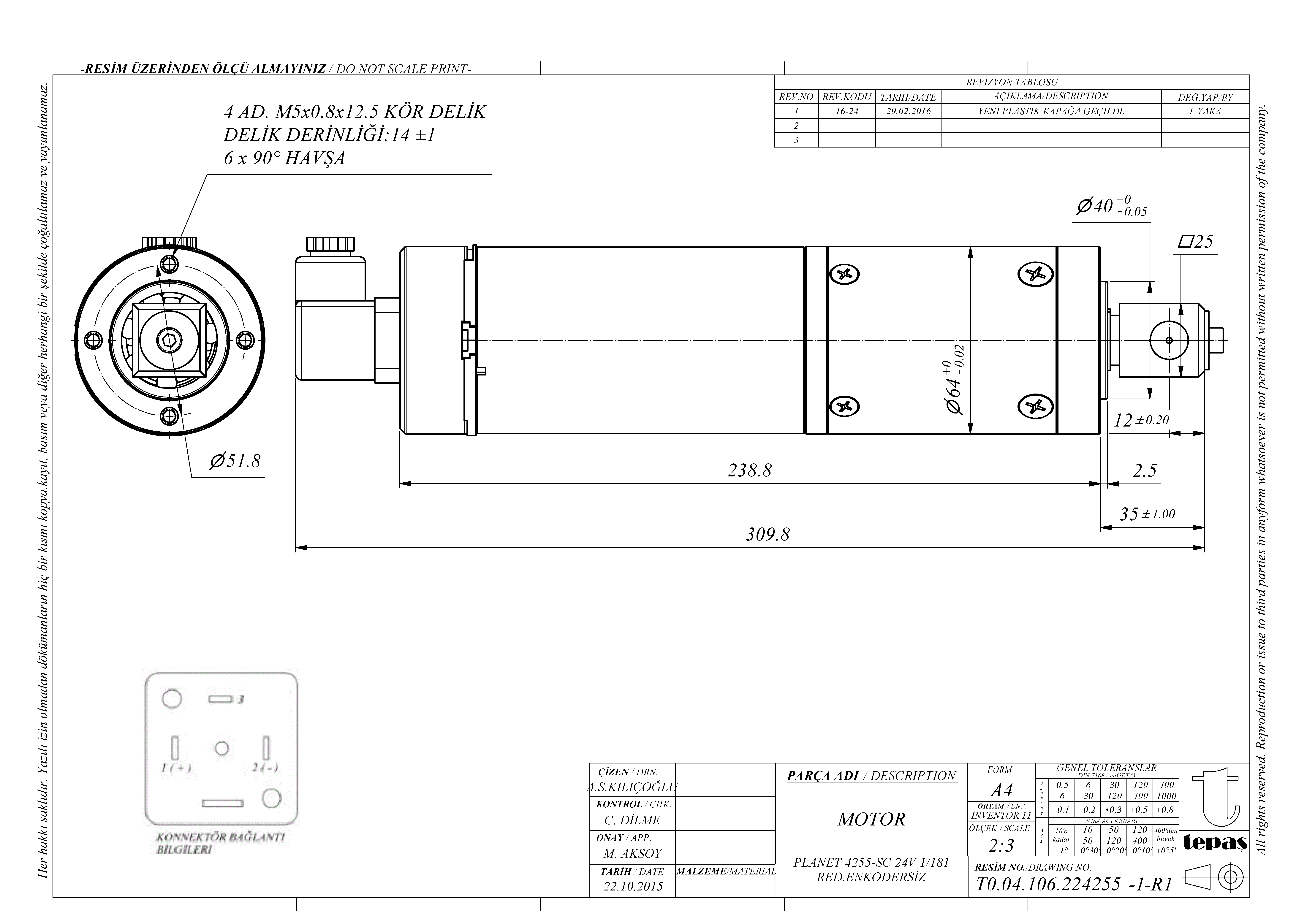
| Planet Redüktörlü Doğru Akım Motoru (Tip 4255) |
Kamyon brandasını uzaktan kumanda ile açma/kapama için kullanılır. Redüksiyon : 1/181(3sıra planet)
|
|
|||||||||||||||||||
| Sabit Mıknatıslı Redüktörlü Doğru Akım Motoru (Tip 5540) |
Paketleme sistemleri, otomatik kapılar, vana sürücüleri, kaynak makineleri, otomasyon projelerinde kullanılır. Motor alan sargıları yerine seramik mıknatıslar kullanılmıştır. Ayarlanabilir ve sabit hızlarda alternatif akım motorlarına oranla daha yüksek kalkınma momentleri ile çalışabilir. 20-40-100 pulse/devir enkoder ile entegredir.
|
|
|||||||||||||||||||
| Sabit Mıknatıslı Redüktörlü Doğru Akım Motoru (Tip 7640) |
Paketleme sistemleri, otomatik kapılar, vana sürücüleri, kaynak makineleri, otomasyon projelerinde kullanılır.Motor alan sargıları yerine seramik mıknatıslar kullanılmıştır. Ayarlanabilir ve sabit hızlarda alternatif akım motorlarına oranla daha yüksek kalkınma momentleri ile çalışabilir. Hız - tork karakteristiği lineerdir.
|
|






